多发性骨髓瘤(MM)是一种起源于前B细胞的骨髓克隆浆细胞异常增殖的恶性肿瘤。典型的MM主要表现为骨髓克隆性浆细胞恶性增生,血中出现克隆免疫球蛋白,骨骼出现溶骨性病变。MM的发病率较高,是仅次于淋巴瘤的第二大血液系统恶性肿瘤,因其起病隐匿,早期临床症状多样化,患者的首次就诊科室大多数不是血液病科,而是骨科、肾病科、风湿、呼吸、感染,老年医学科等其他科室。根据职业习惯首诊医生往往开出的检查项目大多与本科常见疾病相关,容易引起漏诊,延误疾病的诊治。这个时候,我们检验医师如果发现结果异常,就要提高警惕,及时提醒临床医生加做哪些检验项目,以便于进一步鉴别诊断。
案例经过
患者为男性,68岁,一月前因“反酸”在外院进行胃镜检查提示“慢性胃炎”,给予药物治疗,半月前,患者活动时出现双下肢无力,外院颅脑磁共振示:多发腔隙性脑梗塞,脑萎缩,上述症状持续存在,为求进一步诊治急诊入我院,检查后以“双下肢无力待查”收入我院老年医学科就诊,初步诊断:
双下肢无力待查急性脑血管病?
腰椎间盘突出?
贫血?
高血压病2级(中危)慢性胃炎腔隙性脑梗死检验路径
第二天抽血做入院检查,生化组老师在审核肝功结果时,发现该患者的球蛋白升高,血钙升高,和临检组老师沟通发现该患者同时也出现血红蛋白降低,该结果引起老师们的注意:
调取查看了病人的其他检查结果,发现该病人有贫血,肾功能异常的情况,
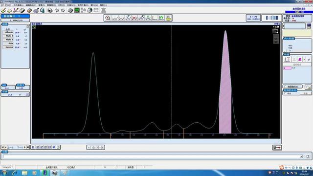
联系老年医学科主治医生了解病人情况,建议给病人完善血清蛋白电泳和免疫固定电泳检查,考虑血液肿瘤疾病的可能,检查结果发现该患者血清蛋白电泳阳性,单克隆免疫球蛋白(M蛋白)含量31g/L,血清免疫固定电泳为IgG Kappa型,尿免疫固定电泳为Kappa轻链型。
血清免疫固定电泳 尿免疫固定电泳
老年医学科主治医生沟通联系肾内血液科医师进行会诊,并转入我院肾内血液科治疗,开展进一步检查:
综合合各项检查结果,最终明确诊断该患者为多发性骨髓瘤
分析与总结
在我国,多发性骨髓瘤患者的发病率近年来有显著上升的趋势,而且很多患者确诊时普遍已到晚期,治疗疗效不佳。实际工作中,我们需要加强对该病的认识,需要有正确的诊断思维,具备一定专业知识的储备,更精准的为患者服务。如出现以下症状一定要想到多发性骨髓瘤的可能,尽快完善相关检查,明确诊断。
1、40岁以上的中老年人;
2、自身免疫病等风湿系统疾病;
3、生化检查中球蛋白升高者;
4、不明原因的骨痛,腰背痛,骨折或者骨质疏疏松;
5、尿常规提示尿蛋白阳性或者肾功能异常;
6、不明原因贫血的;
7、1年内合并感染≥4次的;
8、不明原因的高钙血症;
9、出凝血异常。
总结而言,我们应该以患者为中心做检验,以解决临床问题为目的。检验人需要做到告诉患者和临床:该做什么合理的检查,结果说明了什么,进一步又该做什么检查。检验人应以临床为榜样,随时交流患者的病情,明确检验路径,直接参与疾病诊断,实现检验的临床价值。
(通讯:检验科 马芳芳)
转载请注明来自极限财经,本文标题:《免疫球蛋白M增高,是什么原因(肝功球蛋白结果升高)》


京公网安备11000000000001号
京ICP备11000001号
还没有评论,来说两句吧...